S波段C波段AM050WN-CU-R陶瓷封裝GaN功率HEMT DC-6GHz
2018-10-31 15:31:39
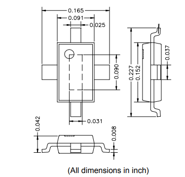
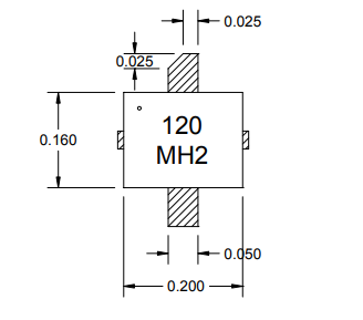
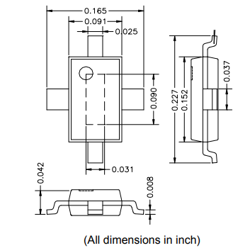
Sk線Ck線AM050WN-CU-R瓷磚二極管封裝形式類型GaN公率HEMT DC-6GHz,這樣那部分的總柵極屏幕寬度匹配是5mm。AM050WN-CU-R是為高公率微波微波射頻操作而制作的,辦公工作頻率led光通量6GHz。CU系統是特地制作的瓷磚二極管封裝形式類型,具直引線和洛地式卡箍部。二極管封裝形式類型底邊的卡箍部與此同時看作直流電源一定一定接地、微波射頻一定一定接地和熱路。